DC-AC Inverter
In practical use, users usually work directly with complete DC to AC inverters rather than individual circuit blocks. Understanding the internal structure and operating principles helps select the right power rating, the appropriate output voltage form, and reduces the risk of long term operational issues.
What is a DC to AC inverter
An inverter is a power conversion unit that converts direct current from sources such as batteries, accumulators, or intermediate DC systems into alternating current at a defined frequency. The output voltage can be single phase or three phase, fixed or adjustable depending on the design configuration.

The DC input source may remain stable or fluctuate according to load conditions and battery capacity. The inverter generates an AC waveform suitable for downstream equipment to operate normally without relying on the utility grid.
Within the current EMIN product range, DC to AC inverters are supplied as fully integrated units that combine control circuitry, power stages, and protection functions, including
- DC to AC inverter PROTECT 1000W model DP-12048Q
- DC to AC inverter PROTECT 2000W model DK1220
- DC to AC inverter PROTECT 3000W model DP-3000AQ
These devices represent standalone inverter solutions commonly used in low voltage DC systems.
Basic structure of an inverter
A complete DC to AC inverter typically consists of three main sections
- DC input power section
This section receives power from batteries or accumulators at defined voltage levels such as 12V, 24V, or 48V. Input source quality directly affects the ability to supply continuous loads.
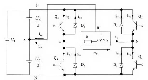
- Power switching section
Semiconductor devices are used to reverse current direction in a controlled cycle. Switching speed and control sequence determine the resulting output waveform.
- Control and filtering section
This section generates control pulses, adjusts voltage amplitude and frequency, and reduces noise components before power is delivered to the load.
In EMIN DC to AC inverters, all of these sections are integrated into a single enclosed unit, which helps reduce installation errors and supports stable long term operation.
Parameters influencing inverter performance
Output frequency
This is determined by the switching frequency of the control circuit. For residential and general purpose equipment, the frequency is usually maintained at a fixed value.
Voltage amplitude
This depends on the DC input voltage and the internal modulation method. When battery voltage drops, low quality inverters are more likely to cause output voltage sag.
Output waveform
The output may be a pure sine waveform or a modified form. Waveform quality directly affects load stability and service life.
These factors explain why inverter selection should be based on application requirements rather than nominal power alone.
General operating principle of an inverter
Direct current from the DC source is fed into the power stage. Semiconductor devices are activated alternately according to a defined cycle, creating a continuously alternating current at the load.
Through the control circuit, switching cycles are arranged to achieve the desired output voltage. The downstream filtering stage smooths the waveform before it is supplied to connected equipment.
This process runs continuously throughout inverter operation, provided that the DC input source can deliver sufficient current and voltage.
Relation to DC to AC inverters distributed by EMIN
The DC to AC inverter models currently offered by EMIN follow these operating principles while being optimized for real world use
+ Integrated protection against overload, overvoltage, and short circuit
+ Suitable for small and medium scale energy storage systems
+ Easy deployment in standalone systems without deep intervention in control circuitry
-
-
-
-
-
-
-
-
-
-
-
-
-
-
-
-
-
-
-
-
-
-
-
-